
G型單螺桿泵
-
質量穩定:全程質量監控,細致入微,全方位檢測,保證產品質量!
-
交貨快捷:先進生產流水線,備貨充足,常規產品全部倉庫現貨供應!
-
專業定制:高級工程師專業選型報價,各種材質非標產品皆可洽談定做!
- 產品概述
- 性能參數
- 適用范圍
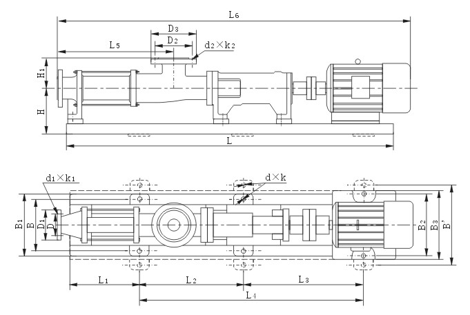
- 安裝尺寸
- 文檔下載


G型單螺桿泵--產品概述
G型單螺桿泵是一種內嚙合的密閉式螺桿泵,屬轉子式容積泵,由于這種泵對介質的適應性強,流動平穩,壓力脈動小,自吸能力高,這是其它任何泵種所不能替代的。我廠對國外生產的單螺桿泵及國內同行業的產品,作了分析與研究,博取眾長,對自已的產品進行不斷的改革創新。目前我單位的產品已自成一體系,零件少,結構緊湊,體積小,維修簡便,轉子和定子是本泵的易損件,結構簡單,便于裝拆。揚程為60-120m,可滿足廣大用戶對單螺桿泵的不同需求。
G型單螺桿泵--型號意義
G型單螺桿泵--產品優點
螺桿泵與其他泵類的優勢比較
1、與離心泵相比螺桿泵無需安裝閥門,流量是穩定的線性流動;
2、與柱塞泵相比螺桿泵具有自吸能力強、吸入高度強;
3、與隔膜泵相比螺桿泵可輸送各種混合雜質含有氣體及固體顆粒或纖維的介質,也可輸送各種腐蝕性物質;
4、與齒輪油泵相比,螺桿泵可輸送高粘度的物質;
5、與柱塞泵,隔膜泵及齒輪泵不同的是,螺桿泵可用于藥劑填充和計量。
G型單螺桿泵--結構圖
G型單螺桿泵--產品特點
G型單螺桿泵產品特點:零件少,結構緊湊,體積小,維修簡單,轉子和定子是單螺桿泵的易損件,結構簡單,便于裝拆。是按迥轉嚙合容積式原理工作的新型泵種。
G 型單螺桿泵主要工作部件是偏心螺桿(轉子)和固定的襯套(定子)。采用無毒無味的食用橡膠,工作溫度可達120攝氏度,如果采用高溫120攝氏度—350 攝氏度時可同本單位聯系。由于該二部件的特殊幾何開頭分別形成單獨的密封容腔。
介質由軸向均勻推行流動。內部流速代低,容積保持不變。壓力穩定,因而不會 產品渦流和攪動。每級泵的輸出壓力為0.6MPa—1.2MPa,揚程60m—120m(清水)。
型號 | 流量 (m3/h) | 壓力 (Mpa) | 允許最 高轉數 (r/min) | 電機 功率 (kw) | 必需汽 蝕余量 (m) |
| 出口法 蘭通徑 (mm) | 允許顆 粒直徑 (mm) | 允許纖 維長度 (mm) |
G20-1 | 0.8 | 0.6 | 960 | 0.75 | 4 | 25 | 25 | 1.5 | 25 |
G20-2 | 1.2 | 1.5 | |||||||
G25-1 | 2 | 0.6 | 960 | 1.5 | 32 | 25 | 2 | 30 | |
G25-2 | 1.2 | 2.2 | |||||||
G30-1 | 5 | 0.6 | 960 | 2.2 | 50 | 40 | 2.5 | 35 | |
G30-2 | 1.2 | 3 | |||||||
G35-1 | 8 | 0.6 | 960 | 3 | 65 | 50 | 3 | 40 | |
G35-2 | 1.2 | 4 | |||||||
G40-1 | 12 | 0.6 | 960 | 4 | 80 | 65 | 3.8 | 45 | |
G40-2 | 1.2 | 5.5 | |||||||
G50-1 | 20 | 0.6 | 960 | 5.5 | 4.5 | 100 | 80 | 5 | 50 |
G50-2 | 1.2 | 7.5 | |||||||
G60-1 | 30 | 0.6 | 720 | 11 | 5 | 125 | 100 | 6 | 60 |
G60-2 | 1.2 | 15 | |||||||
G70-1 | 45 | 0.6 | 720 | 11 | 150 | 125 | 8 | 70 | |
G70-2 | 1.2 | 18.5 | |||||||
G85-1 | 65 | 0.6 | 630 | 15 | 150 | 150 | 10 | 80 | |
G85-2 | 1.2 | 30 | |||||||
G105-1 | 100 | 0.6 | 500 | 30 | 200 | 200 | 15 | 110 | |
G105-2 | 1.2 | 55 | |||||||
G135-1 | 150 | 0.6 | 400 | 45 | 250 | 250 | 20 | 150 | |
G135-2 | 1.2 | 90 |
單級,由齒輪變速、電磁調速電機加齒輪變速或無級變速電機加齒輪變速時的性能參
型號 | 壓力0.3Mpa | 壓力0.6Mpa | 可調轉數 | ||||||
轉數 (r/min) | 流量 (m3/h) | 電動機 功率 (kw) | 轉數 (r/min) | 流量 (m3/h) | 電動機 功率 (kw) | 轉數 (r/min) | 流量 (m3/h) | 電動機 功率 (kw) | |
G20-1 | 960 | 0.96 | 0.75-6級 | 960 | 0.8 | 0.75-6級 | 125~1250 | 0.1~1.5 | 1.1 |
720 | 0.8 | 0.55-8級 | 720 | 0.5 | 0.75-8級 | ||||
510 | 0.4 | 0.55-4級/齒輪箱 | 510 | 0.3 | 0.75-4級/齒輪箱 | ||||
G25-1 | 960 | 2.4 | 0.75-6級 | 960 | 2 | 1.5-6級 | 125~1250 | 0.1~3 | 1.5 |
720 | 1.5 | 0.55-8級 | 720 | 1.27 | 1.1-8級 | ||||
510 | 1.08 | 0.55-4級/齒輪箱 | 510 | 0.9 | 1.1-4級/齒輪箱 | ||||
G30-1 | 960 | 3.6 | 1.5-6級 | 960 | 3 | 2.2-6級 | 125~1250 | 0.2~4 | 2.2 |
720 | 2.28 | 1.1-8級 | 720 | 1.9 | 1.5-8級 | ||||
510 | 1.63 | 1.1-4級/齒輪箱 | 510 | 1.35 | 1.5-4級/齒輪箱 | ||||
G35-1 | 720 | 4.8 | 2.2-8級 | 720 | 4.04 | 3-8級 | 125~890 | 0.3~5 | 3 |
510 | 3.36 | 1.5-4級/齒輪箱 | 510 | 2.8 | 2.2-4級/齒輪箱 | ||||
380 | 1.92 | 1.1-4級/齒輪箱 | 380 | 1.60 | 1.5-4級/齒輪箱 | ||||
G40-1 | 510 | 6.8 | 2.2-4級/齒輪箱 | 510 | 5.6 | 3-4級/齒輪箱 | 125~890 | 0.3~10 | 4 |
380 | 5.1 | 1.5-4級/齒輪箱 | 380 | 4 | 2.2-4級/齒輪箱 | ||||
252 | 2.65 | 1.1-6級/齒輪箱 | 252 | 2.2 | 1.5-6級/齒輪箱 | ||||
G50-1 | 510 | 13.8 | 4-4級/齒輪箱 | 510 | 11.5 | 5.5-4級/齒輪箱 | 80~750 | 1~18 | 5.5 |
380 | 10.2 | 4-4級/齒輪箱 | 380 | 7.5 | 5.5-4級/齒輪箱 | ||||
252 | 5.6 | 3-6級/齒輪箱 | 252 | 4.4 | 5.5-6級/齒輪箱 | ||||
G60-1 | 510 | 20.8 | 7.5-4級/齒輪箱 | 510 | 16 | 11-4級/齒輪箱 | 63~630 | 1~20 | 11 |
380 | 15.6 | 7.5-4級/齒輪箱 | 380 | 12 | 11-4級/齒輪箱 | ||||
252 | 7.8 | 5.5-6級/齒輪箱 | 252 | 6 | 7.5-6級/齒輪箱 | ||||
G70-1 | 510 | 26 | 11-4級/齒輪箱 | 510 | 20 | 11-4級/齒輪箱 | 56~560 | 1~22 | 11 |
380 | 17 | 7.5-4級/齒輪箱 | 380 | 13 | 11-4級/齒輪箱 | ||||
252 | 9.1 | 7.5-6級/齒輪箱 | 252 | 7 | 7.5-6級/齒輪箱 | ||||
G85-1 | 380 | 32 | 11-4級/齒輪箱 | 380 | 25 | 15-4級/齒輪箱 | 37~370 | 2~24 | 15 |
252 | 21 | 7.5-6級/齒輪箱 | 252 | 16 | 11-6級/齒輪箱 | ||||
189 | 11 | 5.5-8級/齒輪箱 | 189 | 8 | 11-8級/齒輪箱 | ||||
G105-1 | 380 | 80 | 15-4級/齒輪箱 | 380 | 65 | 22-4級/齒輪箱 | 29~290 | 3~50 | 22 |
252 | 44 | 15-6級/齒輪箱 | 252 | 34 | 22-6級/齒輪箱 | ||||
189 | 29 | 11-8級/齒輪箱 | 189 | 22 | 15-8級/齒輪箱 | ||||
G135-1 | 380 | 132 | 37-4級/齒輪箱 | 380 | 120 | 45-4級/齒輪箱 | 18~180 | 3~56 | 45 |
252 | 95 | 30-6級/齒輪箱 | 252 | 80 | 37-6級/齒輪箱 | ||||
189 | 65 | 18.5-6級/齒輪箱 | 189 | 53 | 30-8級/齒輪箱 | ||||
雙級,由齒輪變速、電磁調速電機加齒輪變速或無級變速電機加齒輪變速時的性能參數
型號 | 壓力0.8Mpa | 壓力1.2Mpa | 可調轉數 | ||||||
轉數 (r/min) | 流量 (m3/h) | 電動機 功率 (kw) | 轉數 (r/min) | 流量 (m3/h) | 電動機 功率 (kw) | 轉數 (r/min) | 流量 (m3/h) | 電動機 功率 (kw) | |
G20-2 | 960 | 0.96 | 1.5-6級 | 960 | 0.8 | 1.5-6級 | 125~1250 | 0.1~1.5 | 1.5 |
720 | 0.8 | 1.1-8級 | 720 | 0.5 | 1.5-8級 | ||||
510 | 0.4 | 1.1-4級/齒輪箱 | 510 | 0.3 | 1.1-4級/齒輪箱 | ||||
G25-2 | 960 | 2.4 | 1.5-6級 | 960 | 2 | 2.2-6級 | 125~1250 | 0.1~3 | 2.2 |
720 | 1.5 | 1.1-8級 | 720 | 1.27 | 1.5-8級 | ||||
510 | 1.08 | 1.1-4級/齒輪箱 | 510 | 0.9 | 1.5-4級/齒輪箱 | ||||
G30-2 | 960 | 3.6 | 3-6級 | 960 | 3 | 3-6級 | 125~1250 | 0.2~4 | 3 |
720 | 2.28 | 1.5-8級 | 720 | 1.9 | 2.2-8級 | ||||
510 | 1.63 | 1.5-4級/齒輪箱 | 510 | 1.35 | 2.2-4級/齒輪箱 | ||||
G35-2 | 720 | 4.8 | 3-8級 | 720 | 4.04 | 4-8級 | 125~890 | 0.3~5 | 4 |
510 | 3.36 | 2.2-4級/齒輪箱 | 510 | 2.8 | 3-4級/齒輪箱 | ||||
380 | 1.92 | 1.5-4級/齒輪箱 | 380 | 1.60 | 2.2-4級/齒輪箱 | ||||
G40-2 | 510 | 6.8 | 4-4級/齒輪箱 | 510 | 5.6 | 5.5-4級/齒輪箱 | 125~890 | 0.3~10 | 5.5 |
380 | 5.1 | 3-4級/齒輪箱 | 380 | 4 | 4-4級/齒輪箱 | ||||
252 | 2.65 | 2.2-6級/齒輪箱 | 252 | 2.2 | 3-6級/齒輪箱 | ||||
G50-2 | 510 | 13.8 | 5.5-4級/齒輪箱 | 510 | 11.5 | 7.5-4級/齒輪箱 | 80~750 | 1~18 | 7.5 |
380 | 10.2 | 4-4級/齒輪箱 | 380 | 7.5 | 5.5-4級/齒輪箱 | ||||
252 | 5.6 | 3-6級/齒輪箱 | 252 | 4.4 | 5.5-6級/齒輪箱 | ||||
G60-2 | 510 | 20.8 | 15-4級/齒輪箱 | 510 | 16 | 15-4級/齒輪箱 | 63~630 | 1~20 | 15 |
380 | 15.6 | 11-4級/齒輪箱 | 380 | 12 | 15-4級/齒輪箱 | ||||
252 | 7.8 | 7.5-6級/齒輪箱 | 252 | 6 | 11-6級/齒輪箱 | ||||
G70-2 | 510 | 26 | 15-4級/齒輪箱 | 510 | 20 | 18.5-4級/齒輪箱 | 56~560 | 1~22 | 18.5 |
380 | 17 | 11-4級/齒輪箱 | 380 | 13 | 15-4級/齒輪箱 | ||||
252 | 9.1 | 11-6級/齒輪箱 | 252 | 7 | 11-6級/齒輪箱 | ||||
G85-2 | 380 | 32 | 18.5-4級/齒輪箱 | 380 | 25 | 22-4級/齒輪箱 | 37~370 | 2~24 | 22 |
252 | 21 | 15-6級/齒輪箱 | 252 | 16 | 18.5-6級/齒輪箱 | ||||
189 | 11 | 15-8級/齒輪箱 | 189 | 8 | 15-8級/齒輪箱 | ||||
G105-2 | 380 | 80 | 30-4級/齒輪箱 | 380 | 65 | 37-4級/齒輪箱 | 29~290 | 3~50 | 37 |
252 | 44 | 30-6級/齒輪箱 | 252 | 34 | 30-6級/齒輪箱 | ||||
189 | 29 | 22-8級/齒輪箱 | 189 | 22 | 22-8級/齒輪箱 | ||||
G135-2 | 380 | 132 | 55-4級/齒輪箱 | 380 | 120 | 75-4級/齒輪箱 | 18~180 | 3~56 | 75 |
252 | 95 | 55-6級/齒輪箱 | 252 | 80 | 75-6級/齒輪箱 | ||||
189 | 65 | 37-8級/齒輪箱 | 189 | 53 | 45-8級/齒輪箱 | ||||
單、雙級水煤漿工作泵的性能參數
泵 型 | 流量 (m3/h) | 工作壓力(Mpa) | 轉數(r/min) | 齒輪減速配套調速電機(kw) |
G30-2 | ~1 | 1.2 | 30~300 | YCT160/4A-2.2 |
G35-2 | ~2 | 1.2 | 30~300 | YCT160/4A-2.2 |
G40-2 | ~3 | 1.2 | 30~280 | YCT160/4A-3 |
G50-1 | ~4.5 | 0.6 | 28~280 | YCT180/4A-4 |
G50-2 | ~4.5 | 1.2 | 28~280 | YCT200/4A-5.5 |
G60-1 | ~6.5 | 0.6 | 25~250 | YCT200/4A-5.5 |
G60-2 | ~6.5 | 1.2 | 25~250 | YCT200/4B-7.5 |
G70-1 | ~8 | 0.6 | 25~250 | YCT200/4B-7.5 |
G85-1 | ~12.5 | 0.6 | 18~180 | YCT225/4A-11 |
G105-1 | ~20 | 0.6 | 14~140 | YCT225/4B-15 |
G135-1 | ~35 | 0.6 | 10~100 | YCT250/4B-22 |
環境保護、工業污水、生活污水、含有固體顆粒及短纖維的污泥濁水的輸送,特別使用于油水分離器,板框壓濾機設備等。
船舶工業:輪底清洗、油水、油渣、油污水等戒指輸送。
石油工業:輸送原油、原油與水的混合物、煤田氣和水的混合物、往地層內灌注聚合物等。
醫藥、日化:各種粘稠漿、乳化液、各種軟膏化裝品
食品罐頭行業:各種粘稠淀粉、濃酒糟、糧食制品渣、各種醬類、漿類、固體物漿液
建筑行業:水泥沙漿、石灰漿、涂料、糊狀體的噴涂
采礦行業:礦井內的固體顆粒、地下水、污漿水
化學行業:各種懸浮液、油脂、各種膠體漿、各種粘合劑
印刷、造紙:高粘度油墨、墻紙的PVC高分子塑料糊和各種濃度的紙漿,短纖維漿料
工業鍋爐、電廠:水煤漿輸送。


- 2021-04-16重慶中佰泵業立志打造優良排污泵,為社會貢獻力量
- 2021-04-16你的真空泵出問題了?有沒有遇到以下這些故障
- 2021-04-16怎樣安裝齒輪油泵?安裝需求有哪些?
- 2021-01-12重慶中佰泵業——春節放假通知
- 2020-12-31重慶中佰泵業元旦節放假通知
- 2020-10-09液下泵發展前景廣闊,重慶中佰泵業走在行業前端
- 2020-10-09多級泵效率低?建議考慮一下這幾條原因
- 2020-10-09使用潛水泵的三大禁忌,希望你能了解
- 2020-09-25怎樣避免磁力泵空轉?為什么磁力泵會空轉?
- 2020-09-25中佰泵業研發優質供水設備,引領創新市場







