
DJ-D型機械驅動隔膜式計量泵
-
質量穩定:全程質量監控,細致入微,全方位檢測,保證產品質量!
-
交貨快捷:先進生產流水線,備貨充足,常規產品全部倉庫現貨供應!
-
專業定制:高級工程師專業選型報價,各種材質非標產品皆可洽談定做!
- 產品概述
- 性能參數
- 適用范圍
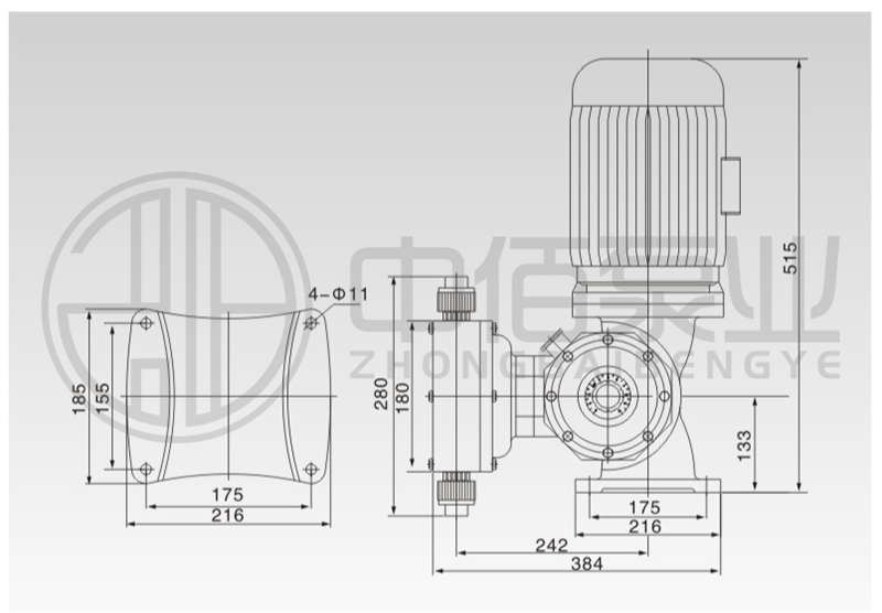
- 安裝尺寸
- 文檔下載
·相關產品
·相關文章
·最新文章
- 2021-04-16重慶中佰泵業立志打造優良排污泵,為社會貢獻力量
- 2021-04-16你的真空泵出問題了?有沒有遇到以下這些故障
- 2021-04-16怎樣安裝齒輪油泵?安裝需求有哪些?
- 2021-01-12重慶中佰泵業——春節放假通知
- 2020-12-31重慶中佰泵業元旦節放假通知
- 2020-10-09液下泵發展前景廣闊,重慶中佰泵業走在行業前端
- 2020-10-09多級泵效率低?建議考慮一下這幾條原因
- 2020-10-09使用潛水泵的三大禁忌,希望你能了解
- 2020-09-25怎樣避免磁力泵空轉?為什么磁力泵會空轉?
- 2020-09-25中佰泵業研發優質供水設備,引領創新市場











